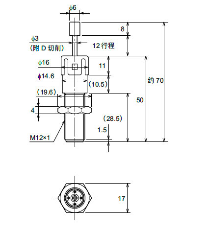
AS-0712系列体积小、重量轻的塑料制缓冲器(固定式/槽形节流孔)
采用“隔膜”作为密封,密封部位摩擦阻力较小的高效率缓冲器;
外径已切削出螺纹,便于安装时的定位调整;
通过采用硅油,可以针对温度变化等环境变化, 保持稳定的性能.
点击订货号查看价格,了解更多请登录,享受优惠请拨打4008-824-824
- 太阳铁工(TAIYO)
- -+
(注1)表中的每分钟最大能量容量表示环境温度26.7℃时的数据。
将环境温度T(℃)条件下每分钟最大能量容量设为E2(J/min),通过如下算式E2=(82.2-T)/55.5*[表中的每分钟最大能量容量]来表示。
(注2)表示行程压入12mm时的最大值。
/-











