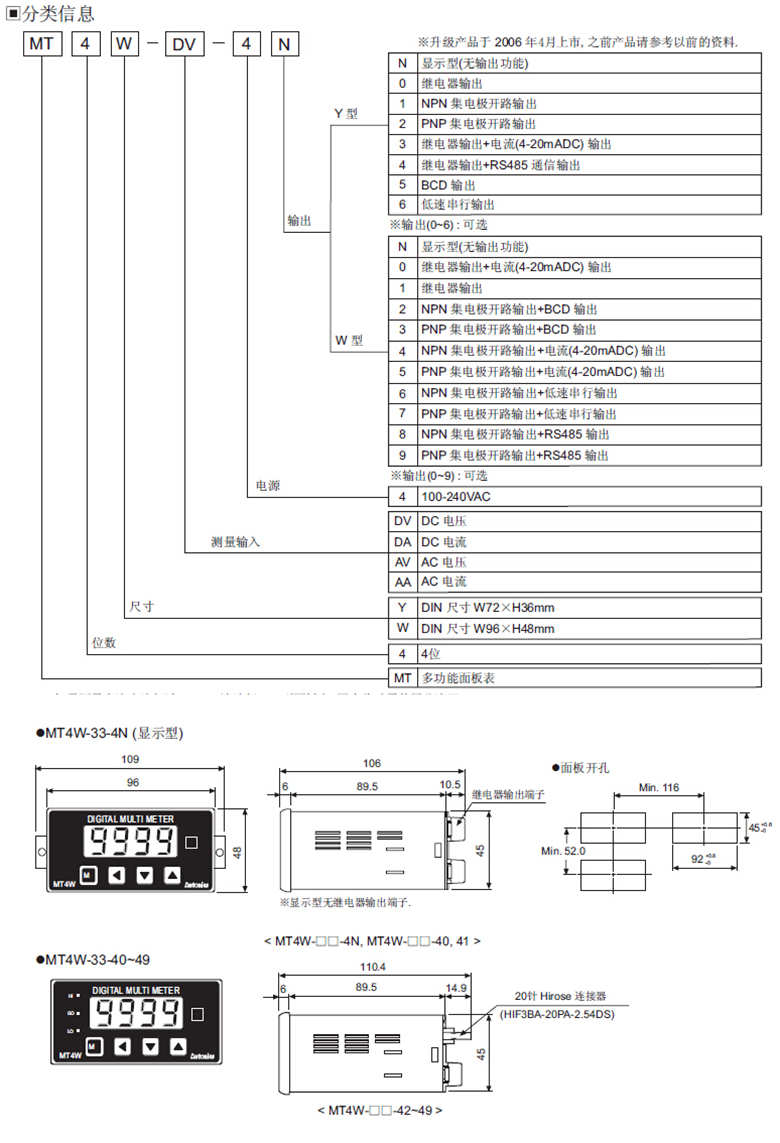
MT4W系列 数字多功能面板表
超级功能面板表;多种输出选择(基本规格:显示型)RS485通信输出,低速串行输出;电流(4-20mA),BCD输出,NPN/PNP集电极开路输出, 继电器输出;最大测量输入规格:500VDC, 500VAC, DC5A, AC5A;最大显示范围:-1999 ~9999 ;高/低限位缩放功能;AC频率测量功能:0.1~9999Hz;多种功能:最大和最小值监视功能,显示周期延迟功能,归零功能,显示校正功能,电流输出缩放功能;宽电源范围:100-240VAC
点击订货号查看价格,了解更多请登录,享受优惠请拨打4008-824-824














